新製品情報
次世代MOSFET搭載、モータ駆動インバータ回路用パワーモジュール発売 ~小型パッケージと大電流を両立~
2025年04月24日
新電元工業は車載・産業機器用途のモータ駆動インバータ回路用パワーモジュール「MG031シリーズ」のラインナップを拡充します。
電動モビリティの普及が進む中、高電圧バッテリーの搭載に伴い、大電流に対応した半導体デバイスが求められています。また、モビリティの軽量化を図るためには、搭載されるデバイスの小型・軽量化が重要な要素となっています。
このようなニーズに応えるべく、新電元工業は車載・産業機器用途のモータ駆動インバータ回路用「MG031シリーズ」のラインナップを拡充しました。
「MG031シリーズ」は、その小型・軽量設計で高い評価を得ている当社のパワーモジュールです。今回追加した4製品は、低Ron・低ノイズ特性に優れた当社の次世代MOSFET※1を搭載しています。従来品※2と比較してオン抵抗を22%低減し、定格電流を1.35倍に向上させました。これにより大電流が必要な機器にも対応可能です。
また大幅なノイズの抑制を実現し、安全性の向上にも貢献します。
■MG031シリーズについて
本シリーズは車載・産業機器用途のモータ駆動インバータ回路用パワーモジュールです。高集積化により、ディスクリート製品搭載時と比較し、実装面積を約60%低減しました。またCuクリップによる内部接続構造により接合強度・接続信頼性を向上、内部配線抵抗低減を実現しています。
※1 第5世代パワーMOSFET(EETMOS®5シリーズ)
※2 「MG031G」と「MG031AD」の比較
■ 特長
・オン抵抗の抑制と定格電流の向上
オン抵抗を従来品※2と比較し22%低減することで、定格電流を1.35倍に向上
※2「MG031G」と「MG031AD」の比較

・実装面積を約60%削減
高集積化により、ディスクリート製品搭載時と比較し、実装面積を約60%低減

・ノイズの大幅抑制
低Ron・低ノイズ特性に優れた当社の次世代MOSFET※1を搭載することで、ノイズを大幅抑制
※1 EETMOS®5シリーズ
・Cuクリップによる内部接続構造
従来のAlワイヤボンディング構造と比較して、接合強度・接続信頼性を向上、内部配線抵抗低減を実現
・リードフレーム露出による大電流構造
従来のフルモールドパッケージと比較して、小型ながら大電流化を実現
・接合部温度(Tch)を175°Cまで保証
・車載品に要求される信頼性を確保
■ 用途例
・小容量モータ(車載補器系等)
・その他モータ駆動
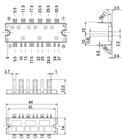
■ 外形寸法図
■ 内部等価回路図
6in1
3in1
■ 製品仕様
| MG031AD | MG031MF | MG031AF | MG031MH | ||
| 内部回路 | 6 in 1 | 3 in 1 | 6 in 1 | 3 in 1 | |
| 絶対最大定格 | VDSS | 40V | 40V | 60V | 60V |
| ID | 200A | 200A | 150A | 150A | |
| IDP | 800A | 800A | 600A | 600A | |
| PT | 154W | 154W | 154W | 154W | |
| Tch | 175°C | 175°C | 175°C | 175°C | |
| 電気的・熱的特性 | RDS(ON) (VGS=10V) |
1.71mΩ | 1.71mΩ | 2.95mΩ | 2.95mΩ |
| Vth(typ.) | 3.0V | 3.0V | 3.0V | 3.0V | |
| Rth(j-c) | 0.97 °C/W | 0.97 °C/W | 0.97 °C/W | 0.97 °C/W | |
この製品に関するお問い合わせはこちら
新電元工業株式会社
マーケティング部
※掲載内容について、2025年5月9日に一部修正しております。
新製品情報に記載されている内容は、報道発表日現在の情報です。お客様がご覧いただいた時点で、情報が変更(生産・販売が終了している場合や、価格、仕様など)されている可能性がありますのであらかじめご了承下さい。